Cassification
发布时间:2025/12/1
浏览次数:141XST/C-H11T3A1B1V0N液位控制器安装资料:
精度与转换器
基本误差优于±0.2%F·S,采用16位A/D转换器,测控周期0.2秒(可提升至0.1秒)。
支持8段折线功能,可修正传感器非线性误差7。
抗干扰能力
采用III级抗干扰设计,有效抑制继电器、接触器等产生的快速脉冲群干扰及电磁干扰。
输入信号兼容性
支持热电阻(Pt100、Cu100等)、热电偶(K、S、R、B、N、E、J、T)、直流电流/电压、远传压力表等信号。
特殊分度(如F2、WL)需订货时说明7。
XST/C-H11T3A1B1V0N液位控制器


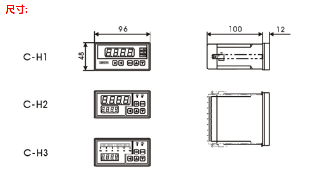
提供多种尺寸选择:160×80mm(横/竖)、96×96mm、96×48mm(横/竖)、72×72mm、48×48mm,以及实验室用台式型号。
XST/C-H1IT3A1B1VON控制器分组合逻辑控制器和微程序控制器,两种控制器各有长处和短处。组合逻辑控制器设计麻烦,结构复杂,一旦设计完成,就不能再修改或扩充,但它的速度快。微程序控制器设计方便,结构简单,修改或扩充都方便,修改一条机器指令的功能,只需重编所对应的微程序;要增加一条机器指令,只需在控制存储器中增加一段微程序,但是,它是通过执行一段微程。具体对比如下:组合逻辑控制器又称硬布线控制器,由逻辑电路构成,*靠硬件来实现指令的功能。
数字液位显示仪XST/C-H1IT3A1B1VON;精度±0.2%;输入4-20mA;输出4-20mA
电源220VAC;外供24VDC;(功能强大:具有AH、AHH、AL报警输出功能)
1、设计机器的指令系统:规定指令的种类、指令的条数以及每一条指令的格式和功能;
2、初步的总体设计:如寄存器设置、总线安排、运算器设计、部件间的连接关系等;
3、绘制指令流程图:标出每一条指令在什么时间、什么部件进行何种操作;
4、编排操作时间表:即根据指令流程图分解各操作为微操作,按时间段列出机器应进行的微操作;
5、列出微操作信号表达式,化简,电路实现。
XST/A-H,XST/A,XST/B,XST/C控制器_XST/C-H1IA1B1V0仪表XST/C-H1IT3A1B1VON

产品:
1、 基本误差优于±0.2%F·S。16位A/D转换器。测控周期0.2秒,可提高到0.1秒。8段折线功能
2、 抗干扰设计,抑制现场的继电器、接触器等产生的快速脉冲群干扰,抗干扰能力达到III级
3、 输入信号:热电阻,热电偶,直流电流,直流电压,远传压力表等。,订货时要说明
4、外形尺寸:160×80(横/竖),96×96,96×48(横/竖),72×72,48×48用仪表
5、 仪表电源220V AC,(9~30)V DC(订货时注明)
1、概述
XST/C-H1IT3A1B1VON仪表与各类模拟量输出的传感器、变送器配合,完成温度、压力、流量、液位、成分以及力和位移等物理量的测量、变换、显示、传送和控制。
误差小于0.2%F.S,并具备调校、数字滤波功能,可帮助减小传感器、变送器的误差,有效提高系统的测量、控制精度适用于电压、电流、热电阻、热电偶、mV、电位器、远传压力表等信号类型
zui多可达8点报警输出,可选择10种报警方式,报警灵敏度独立设定。具备延时报警功能,有效防止干扰等原因造成误报
变送输出可将测量、变换后的显示值以标准电流、电压形式输出供其它设备使用
全透明、高速、的网络化通讯接口,实现计算机与仪表间*的数据传送和控制。
支持铝合金外壳型号(如160×80mm规格),增强耐用性。
二、核心功能
显示与报警
测量值光柱显示(绿色)+设定值数字显示(红色)。
报警输出点数根据尺寸不同:
160×80/96×96规格:最多4点
96×48规格:最多3点
72×72/48×48规格:最多2点
160×80铝合金外壳型:最多8点57。
输出与供电
变送输出:支持电流(4-20mA)或电压(0-5V/1-5V/0-10V)信号。
外供电源:
普通电源:24V/12V/5V(给变送器供电)
精密电源:10V/12V或0.5-1.5mA(适用于荷重、压力传感器)。
通信与扩展
无内置通讯接口(型号代码S0V0),但可选配RS485/RS232接口(需订货注明)。
支持打印机接口(需外接打印机单元)。
三、应用场景
适用于工业测控系统,如温度、压力、流量、液位等物理量的测量、显示及控制,常见于电力、环保、冶金、食品等行业。
四、选型与定制